产品与服务/Products


021-54362982-8010

当前位置:首页 | 产品与服务 |

单点修整器 产品名称:单点修整器 所属类别:盈锋标准单点修整器 使用范围:外圆磨床,内圆磨床,平面磨床的砂轮修整。 产品特征:单颗粒金刚石,硬度高,耐用度好,是普通磨床砂轮修整经济型的修整工具。 询价

详情介绍

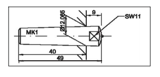
一、主要生产规格范围: 【产品尺寸】标准尺寸
【产品工艺】选用天然金刚石为原料,利用粉末冶金技术镶焊在特制的刀杆上形成修整工具。
【主要材料】天然金刚石
【适用范围】外圆磨床,内圆磨床,平面磨床的砂轮修整。
【产品特点】经济实用,单颗粒金刚石,硬度高,耐用度好,是普通磨床砂轮修整经济型的修整工具。
【产品定制】按图定制或来样定制,交货周期为3-7天。

【注意事项】请参照《使用金刚石修整工具需注意的10个事项》或致电咨询

您可能感兴趣的产品

CVD,PCD三角修整刀片
CVD,PCD三角修整刀片
单点修整器
单点修整器
片状修整器
片状修整器