产品与服务/Products


021-54362982-8010

当前位置:首页 | 产品与服务 |

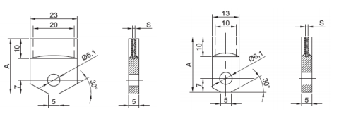
片状修整器 产品名称:片状修整器 所属类别:盈锋标准片状修整器 使用范围:修整砂轮。 产品特征:标准片状修整器分为带柄和不带柄两种。片状修整器在修整的过程中金刚石条的形状基本保持不变,具有稳定的修整性能。片状修整器的流行用法是让修整器的金刚石部分先于砂轮接触,这样能保证修整是的自由切削。 询价

详情介绍

一、主要生产规格范围:

可根据客户要求定制。

您可能感兴趣的产品

CVD,PCD三角修整刀片
CVD,PCD三角修整刀片
单点修整器
单点修整器
片状修整器
片状修整器